登陆成功…?/p>




长期销售PIR系列菲涅尔透镜全系型号
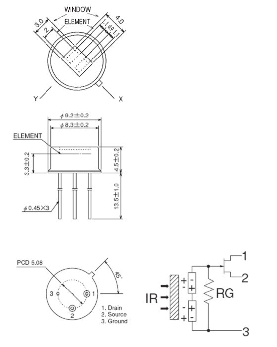
热释电红外传感器:KP500B、KP506B、RE200B、D203S、D203B筈/p>
热释电红外芯片:BISS0001、LP8072、LP0001、EV1527筈/p>
咨询电话:徐先生?3510336780 QQ?54784019
以上是关亍b>人体红外感应器RE200B-P红外人体感应探头PIR红外传感?/b>的详细介绍,产品田b>深圳市鑫立盛科技有限公司为您提供,如果您寸b>深圳市鑫立盛科技有限公司产品信息感兴趣可?a class="checkContactWay" href="">联系供应啅/a>,您也可以查看更多相关的产品?/p>
徐兵兴span>先生(销售部经理)
13510336780
公司电话?6 0755 82550468
公司传真?6 0755 82550468
联系我时务必告知是在114批发网上看到的!
大家正在搜索9/p>
睡眠呼吸检测仪大功率LED自行车灯时尚LED自行车灯防水LED头灯潜水LED头灯铝合金LED头灯双头LED头灯伸缩T6自行车灯吉利人家蛋糕led多功能充电应急灯充电强光手电筒led充电探照灯led 强光UV漆类橡胶漆类机壳漆类
免责声明9/span>以上信息由会员自行提供,内容的真实性、准确性和合法性由发布会员负责?14批发网对此不承担任何责任
友情提醒9/span>为规避购买风险,建议您在购买相关产品前务必确认供应商资质及产品质量