登陆成功…?/p>
长春茗允精密机械有限公司'img alt="13460856_136" height="37" src="http://i00.c.aliimg.com/img/ibank/2014/451/060/1766060154_220297818.jpg?__r__=1414038741737" width="16" />图纸叉span style="font-size: 26.0pt;background-color: #ccffff;color: #ff0000;">参数
(/strong>
手机9span style="background-color: #ffffff;color: #008080;">15590549711电话9span style="color: #008080;">0431-81773360
传真9span style="color: #008080;">0431-86790117QQ9span style="color: #008080;">944823555
官方Email:944823555@qq.com
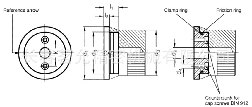
引导法兰 原装进口德国GN 723.3 长春茗允 批发零售

材料
铝制,阳极氧化,黑色、/span>
指示箭头
白色,激光精密蚀刻、/span>
标准款型
- A型:带摩擦环、/span>
-B型:不带摩擦环、/span>
夹紧?/span>
NBR合成橡胶、/span>
摩擦?/span>
聚酰胺基 (PA) 高科技聚合体、/span>
特征及应?/span>
GN723.3引导法兰与GN723.4控制旋钮组合使用具有以下优点9/span>
- 具有与控制旋钮刻度对齐的引导标志、/span>
- 为控制轴提供额外支撑、/span>
- 可配备末端定位销来限制控制旋钮的角运动(也可使用定位光珠锁销来设置定止位)、/span>
- 带有摩擦环的款式可防止由震动造成的控制旋钮意外转动、/span>


长春茗允精密机械有限公司代理产品
德国HALDER定位珠、弹簧柱塞、分割定位柱、分度销、快速插销、水平调整脚座、脚轮、支撑钉、手轮、把手、取手、压头、定位配件、夹持零件;
ELESA/GANTER人体工学把手,手?旋钮柱塞,分度销,油表,油镜,液位器等:/strong>
台湾GOODHAND快速夹钳,肘节夹钳,夹具及附件等:/strong>
TOHATSU 弹簧,五金,脚座,把手,万向滚珠等;
德国GANTER弹簧柱塞,定位零件,模具标准件;
NNK快锁插销、快卸销、快拔销、快速释放销、制动销、球锁销及自攻螺套;钢丝螺套及安装工?丝锥、/strong>
台湾JTP工装夹具、转角缸、杠杆缸、支撑缸、顶缸、阀及蓄压器等;
德国STABILUS气弹簧;
法国FILTEC钢丝螺套:/strong>
西班牙AZOL氮气弹簧:/strong>
台湾TAIKI油压卡爪、油压生爪、夹夳/strong>
英国WDS自动化零?机械标准零件,机床附件,工装夹具筈/strong>
公司产品广泛应用于汽车、机械及工业用零部件、模具、铁路机车、电子、通讯、重型机车等行业中,行销全国各地,为客户提供优质产品和优秀的解决方案、/strong>
备注:我公司单笔金额1000元以上,含运费。(混批金额达到1000元,也可含运费)
以上是关亍b>引导法兰原装进口德国GN723.3长春茗允批发零售的详细介绍,产品田b>长春茗允精密机械有限公司为您提供,如果您寸b>长春茗允精密机械有限公司产品信息感兴趣可?a class="checkContactWay" href="">联系供应啅/a>,您也可以查看更多相关的产品?/p>
郑风卍span>先生(销售部经理)
15004381783
公司电话?6 0431 81773360
公司传真?6 0431 86790117
联系我时务必告知是在114批发网上看到的!
免责声明9/span>以上信息由会员自行提供,内容的真实性、准确性和合法性由发布会员负责?14批发网对此不承担任何责任
友情提醒9/span>为规避购买风险,建议您在购买相关产品前务必确认供应商资质及产品质量