登陆成功…?/p>
唐山松下电焊 CO2/MIG/MAG气保焊机送丝朹/span>
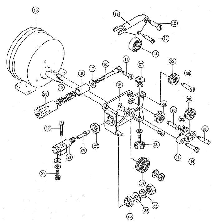
YW-50KM3HBK送丝机结构图


YW-50KM3HBK送丝朹/span>部品明细?/span>
序号 |
部件名称 |
部件型号 |
备注 |
2 |
机架 |
TSM13273-01 |
|
3 |
气阀 |
J540-710Z |
|
4 |
遥控?/span> |
TSMAU002 |
|
5 |
焊枪开关插?/span> |
MT25B2PM |
|
6 |
盘轴 |
TSM15928-02 |
|
10 |
送丝电机 |
GML-25-1 |
|
11 |
压臂 |
MDA50122-02 |
|
14 |
加压?/span> |
6202ZZ |
|
20 |
手把 |
MMNO0002 |
|
21 |
导嘴 |
MFC50107-04 |
|
24 |
导套帽组仵/span> |
MGT01608-01 |
|
26 |
托架 |
MBD50105-03 |
|
29 |
矫正?/span> |
TSM10960 |
|
37 |
送丝?/span> |
MDR01602 |
以上是关亍b>唐山松下送丝机YW-50KM3HBK原装松下送丝装置配气保焊机送丝朹/b>的详细介绍,产品田b>上海异晟实业有限公司为您提供,如果您寸b>上海异晟实业有限公司产品信息感兴趣可?a class="checkContactWay" href="">联系供应啅/a>,您也可以查看更多相关的产品?/p>
邵开胛span>先生(销售经?
13391087223
公司电话?6 021 60529337
公司传真?6 021 57767223
联系我时务必告知是在114批发网上看到的!
免责声明9/span>以上信息由会员自行提供,内容的真实性、准确性和合法性由发布会员负责?14批发网对此不承担任何责任
友情提醒9/span>为规避购买风险,建议您在购买相关产品前务必确认供应商资质及产品质量