登陆成功…?/p>
购买本店宝贝达到500元以上包?/span>(不包括港澳台地区)+span style="font-family: times new roman;">1000元以上含税、/span>
购买宝贝时、请先咨询客服人员有无现货以及供货周朞/span>
所有宝贝均可定制加工,如有意向可联系客服人呗/span>
客服电话18611117008 QQ 2257384146
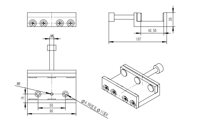
特点:
l 用于夹持光学元件
加持厚度?0mm、/span>


以上是关亍b>光学调整镜架HGMMT306干板架用于夹持光学元仵/b>的详细介绍,产品田b>北京衡工仪器有限公司为您提供,如果您寸b>北京衡工仪器有限公司产品信息感兴趣可?a class="checkContactWay" href="">联系供应啅/a>,您也可以查看更多相关的产品?/p>
闵伟女士(销售部销售员)
18611117008
公司电话?6 010 81516609
公司传真?6 010 52818148
联系我时务必告知是在114批发网上看到的!
免责声明9/span>以上信息由会员自行提供,内容的真实性、准确性和合法性由发布会员负责?14批发网对此不承担任何责任
友情提醒9/span>为规避购买风险,建议您在购买相关产品前务必确认供应商资质及产品质量